STMicroelectronics STSPIN32F0B Advanced Single Shunt BLDC Controllers

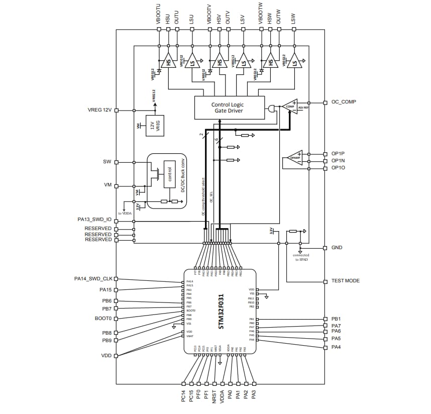
STMicroelectronics STSPIN32F0B Advanced Single Shunt BLDC Controllers is a system-in-package providing an integrated solution suitable for driving three-phase brushless motors using different driving modes. The STMicroelectronics STSPIN32F0B Controllers embed a triple half-bridge gate driver to drive power MOSFETs with a current capability of 600mA (sink and source). The integrated interlocking function blocks the same half-bridges high- and low-side switches from being simultaneously driven.

The device offers an internal DC/DC buck converter with a 3.3V voltage suitable to supply the MCU and external components. An internal LDO linear regulator also provides the supply voltage for gate drivers. The integrated operational amplifier is available for the signal conditioning, resulting in the current sensing across the shunt resistor. Overcurrent protection is featured on the STSPIN32F0B, performed by a comparator with a programmable threshold.

The integrated MCU STM32F031C6 with an extended temperature range allows for performing field-oriented control, 6-step sensorless, and other advanced driving algorithms. The MCU also offers a read/write-protection feature for the embedded Flash memory to protect against unwanted writing and/or reading. The embedded bootloader allows the firmware to be downloaded on the field through the serial interface. Additional features on the STSPIN32F0B include overtemperature and voltage lockout protections and standby mode to reduce power consumption.

The device incorporates 20 general-purpose I/O ports (GPIO) with 5V tolerant capability and one 12-bit analog-to-digital converter with up to 9 channels performing conversions in single-shot or scan modes. Also, the STSPIN32F0B implements 5 synchronizable general-purpose timers and supports an easy-to-use debugging serial interface (SWD).

Features

  • Extended operating voltage from 6.7 to 45V
  • Three-phase gate drivers
    • 600mA sink/source
    • Integrated bootstrap diodes
    • Cross-conduction prevention
  • 32-bit Arm® Cortex®-M0 core
    • Up to 48MHz clock frequency
    • 4kByte SRAM with HW parity
    • 32kByte Flash memory with option bytes used for write/readout protection
    • Bootloader FW available
  • 3.3V DC/DC buck converter regulator with overcurrent, short-circuit, and thermal protection
  • 12V LDO linear regulator with thermal protection
  • 20 general-purpose I/O ports (GPIO)
  • 5 general-purpose timers
  • 12-bit ADC converter (up to 9 channels)
  • I2C, USART and SPI interfaces
  • One rail-to-rail operational amplifier for signal conditioning
  • Comparator for overcurrent protection with programmable threshold
  • Standby mode for low power consumption
  • UVLO protection on each power supply:
    • VM, VDD, VREG and VBOOTx
  • On-chip debug support via SWD
  • Extended temperature range: -40°C to +125°C

Applications

  • Power tools
  • FANs and pumps
  • Industrial automation
  • Battery-powered home appliances

Videos

Analog IC Block Diagram

Block Diagram - STMicroelectronics STSPIN32F0B Advanced Single Shunt BLDC Controllers

System-In-Package Block Diagram

Block Diagram - STMicroelectronics STSPIN32F0B Advanced Single Shunt BLDC Controllers
Opublikowano: 2019-03-27 | Zaktualizowano: 2024-02-12