Toshiba TPH2R70AR5 N-Ch MOSFET
Toshiba TPH2R70AR5 N-Channel MOSFET merges low on-resistance with low switching loss for power conversion efficiency. The TPH2R70AR5 is developed for demanding applications and supports high-speed switching and reliable performance in compact designs. The N-channel silicon MOSFET is ideal for high-efficiency DC-DC converters, switching voltage regulators, and motor drivers.
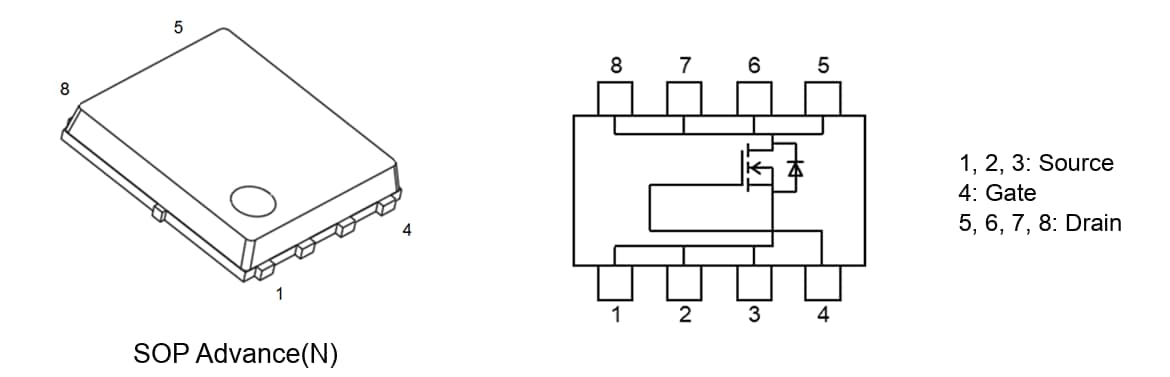
The Toshiba Enhancement mode TPH2R70AR5 N-Channel MOSFET is available in a SOP Advance (N) package.
Features
- trr = 52ns (typ.) rapid reverse recovery
- Qrr = 55nC (typ.) reduced reverse recovery charge
- QSW = 17nC (typ.) low switching gate charge
- IDSS = 10µA (max) (VDS = 100V) excellent leakage control
- RDS(ON) = 2.3mΩ (typ.) (VGS = 10V) ultra-low conduction loss
- Vth = 2.9V to 4.3V (VDS = 10V, ID = 1.0mA) tight threshold voltage
Applications
- High-efficiency DC-DC power conversion
- Voltage regulation circuits
- Motor drive systems
- Industrial
Packaging & Internal Circuit
Opublikowano: 2025-10-08
| Zaktualizowano: 2026-01-12
