Texas Instruments CSD25310Q2 20V P-Channel NexFET Power MOSFET
Texas Instruments CSD25310Q2 20V P-Channel NexFET Power MOSFET is a 19.9mΩ, –20V P-Channel MOSFET that is designed to deliver the lowest on-resistance and gate charge. This is done in the smallest outline possible with excellent thermal characteristics in an ultra-low profile. The CSD25310Q2's low on-resistance coupled with an extremely small footprint in a SON 2mm×2mm plastic package makes the device ideal for battery-operated space-constrained operations.Features
- Ultra-low Qg and Qgd
- Low on-resistance
- Low thermal resistance
- Pb-Free
- RoHS Compliant
- Halogen-free
- SON 2mm × 2mm Plastic package
Applications
- Battery management
- Load management
- Battery protection
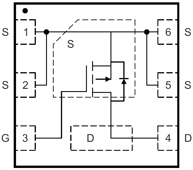
Top View
Opublikowano: 2018-09-12
| Zaktualizowano: 2023-04-28
