Vishay Semiconductors VS-EBU15006HN4 Ultrafast Soft Recovery Diode
Vishay Semiconductors VS-EBU15006HN4 Ultrafast Soft Recovery Diode is optimized to reduce losses and EMI/RFI in high-frequency power conditioning systems. This diode features a 150A continuous forward current, and its softness eliminates the need for a snubber in most applications. The VS-EBU15006HN4 diode is AEC-Q101-qualified and comes in a PowerTab® package. This diode is ideally suited for high-frequency welding, power converters, and other applications where switching losses are not a significant portion of the total losses.Features
- Ultrafast recovery time
- 150A continuous forward current (IF(AV))
- 600V breakdown voltage (VBR)
- Reduced RFI and EMI
- Higher frequency operation
- 175°C maximum operating junction temperature
- 70pF junction capacitance (CT)
- Reduced snubbing
- Reduced parts count
- Screw mounting only
- AEC-Q101 qualified
- PowerTab® package
Applications
- High-frequency welding
- Power converters
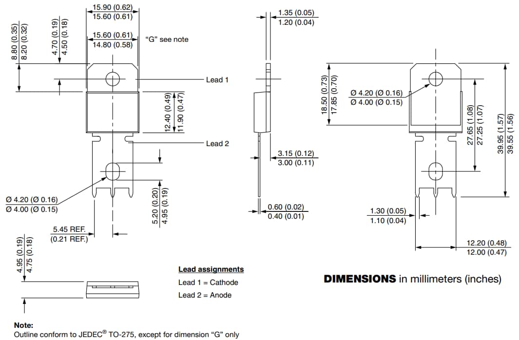
Package Dimensions
Additional Resource
Opublikowano: 2025-03-14
| Zaktualizowano: 2025-03-25
