u-blox ANNA-B112 Stand-alone BLUETOOTH® 5 Modules
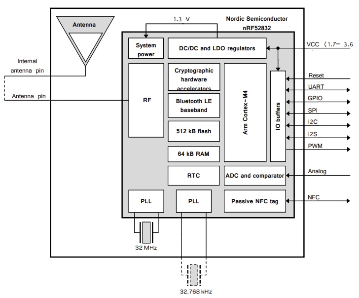
u-blox ANNA-B112 Stand-alone BLUETOOTH® 5 Modules are ultra-compact SiPs featuring Bluetooth 5 and an Arm® Cortex®-M4 microprocessor with FPU. These Bluetooth 5 modules offer the internal antenna option despite the small size. The ANNA-B112 modules allow best-in-class capacity applications running on the Bluetooth Low Energy (BLE) stack using the SDK from Nordic Semiconductor or Arm Mbed™. These modules are delivered with u-connectXpress software that supports u-blox BLE serial port service, GATT client and server, beacons, NFC™, and simultaneous peripheral and central roles.The ANNA-B112 modules feature 512kB flash and 64kB RAM. These stand-alone Bluetooth 5 modules operate within the 1.7VDC to 3.6VDC supply voltage range and -40°C to 85°C temperature range. Typical applications include asset tracking, lighting, and metering.
Features
- 64MHz Arm Cortex-M4 microprocessor with FPU
- Bluetooth 5 and Bluetooth mesh
- Embedded Bluetooth low energy stack and u-connectXpress software
- Ultra-compact
- Internal antenna
- Carries modular approval across various regions globally
Specifications
- 1.7VDC to 3.6VDC supply voltage range
- 64kB RAM and 512kB flash
- 2.4GHz, 40 channels band support
- +4dBm typical conducted output power
- +5dBm maximum radiated output power with internal antenna (EIRP)
- +9dBm maximum radiated output power with external antenna (EIRP)
- -91dBm sensitivity (conducted)
- 1Mbps and 2Mbps GFSK data rates
- -40°C to 85°C operating temperature range
- 6.5mm x 6.5mm x 1.2mm dimensions
- RoHS-compliant
Applications
- Asset tracking
- Lighting
- Metering
Block Diagram
Software Structure and Available Software Options
View Results ( 2 ) Page
| Numer części | Rodzaj interfejsu | Moc wyjściowa | Szybkość przesyłu danych | Czułość odbiornika | Częstotliwość | Wielkość pamięci | Zakres | Rdzeń | Odbiór prądu zasilającego | Przesyłanie prądu zasilającego |
|---|---|---|---|---|---|---|---|---|---|---|
| ANNA-B112-01B | GPIO, I2C, I2S, SPI, UART | 4 dBm | 2 Mb/s | - 91 dBm | 2.4 GHz | 512 kB, 64 kB | 160 m | ARM Cortex M4 | 5.4 mA | 5.3 mA |
| ANNA-B112-02B | I2C, I2S, SPI, UART | 4 dBm | 2 Mb/s | - 91 dBm | 2.4 GHz | 512 kB, 64 kB | 160 m | ARM Cortex M4 | 5.4 mA | 5.3 mA |
Opublikowano: 2020-09-09
| Zaktualizowano: 2024-12-23
