Texas Instruments TPS566235 Step-Down Voltage Regulators
Texas Instruments TPS566235 6A Synchronous Step-Down Voltage Regulators enables system designers to complete the suite of various end-equipment power bus regulators with a cost-effective, low component count and low standby current solution. The TPS566235 utilizes the D-CAP3™ mode control that provides a fast transient response and good line/load regulation with no external compensation components. The device has a proprietary circuit that supports low equivalent series resistance (ESR) output capacitors. The control topology promotes a seamless transition between CCM mode at heavy load conditions and DCM operation at light load conditions.The three operation modes that can be configured by the MODE pin at light load are Eco-Mode™, Out-Of-Audio™ (OOA), and Forced Continuous Conduction Mode (FCCM). The OOA mode is a unique control characteristic that keeps the switching frequency above audible frequency with minimum reduction in efficiency. The Texas Instruments TPS566235 offers complete protection features, including OVP, UVP, OCP, OTP, and UVLO. The device provides a junction temperature specified from –40°C to 125°C and is available in a 3.0mm x 2.0mm HotRod™ package.
Features
- 4.5V to 18V input voltage range
- 0.6V to 7V output voltage range
- ±1% reference voltage at room temperature
- Supports 6A continuous output current
- D-CAP3™ architecture control for fast transient response
- Integrated 25mΩ and 12mΩ RDS(on) power FETs
- 108µA low quiescent current
- Selectable Eco-Mode™, Out-Of-Audio™ and FCCM by MODE pin
- Out-Of-Audio™ light-load operation with switching frequency over 25kHz
- Supports pre-biased start-up function
- 600kHz switching frequency
- Internal 1ms soft start
- Supports ceramic output capacitors
- Power good indicator
- Cycle-by-cycle valley over current protection
- Non-latched for OC, OV, UV, OT, and UVLO protections
- 3.0mm × 2.0mm HotRod™ VQFN package
Applications
- DTV and STB
- Switcher and router
- Server and enterprise SSD
- Surveillance and single-board computer
- Distributed power systems
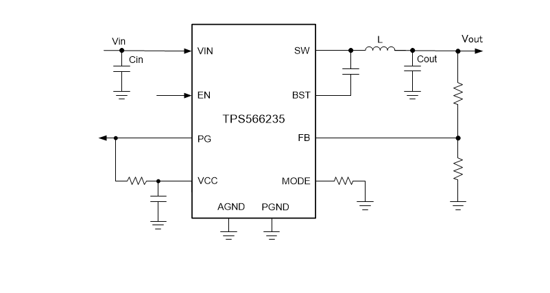
Block Diagram
Typical Application
Opublikowano: 2019-05-21
| Zaktualizowano: 2023-09-21
