Texas Instruments TPS542A52 Synchronous Buck Converter
Texas Instruments TPS542A52 Synchronous Buck Converters offer high efficiency with differential remote sense. These devices feature fixed-frequency, voltage-control mode with pin strap selectable internal compensation for reduced system cost and complexity. The PWM can be synchronized to an external clock through the SYNC pin.The TI TPS542A52 Synchronous Buck Converters also include other vital features like PFM for high light-load efficiency, low shutdown quiescent current draw, adjustable UVLO through the EN pin, and monotonic start-up into pre-biased conditions.
The TPS542A52 Buck Converters are lead-free in a VQFN 4.5mm × 4mm package and are fully RoHS compliant without exemption.
Features
- Integrated 9.1mΩ and 2.6mΩ MOSFETs support up to 15A output current
- 0.5V to 5.5V output voltage range
- Fixed-frequency voltage control mode with selectable internal compensation
- Seven selectable frequency settings from 400kHz to 2.2MHz
- Synchronizes to an external clock
- Fully differential remote sense
- Six selectable over-current limits, four soft-start slew rates
- Monotonic start-up into pre-biased outputs
- EN pin allowing for adjustable input UVLO
- Power good indicator
- 17µA typical shutdown quiescent current draw
- Selectable FCCM or PFM for light load efficiency
- –40 to +150°C operating junction temperature
- 4mm × 4.5mm VQFN package
- Create a custom design using the TPS542A52 with the WEBENCH® Power Designer
Applications
- Wireless communications
- Analog front-end power
- Test and measurement equipment
- Medical imaging
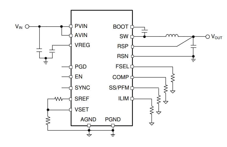
Simplified Schematic
Opublikowano: 2020-12-22
| Zaktualizowano: 2024-10-24
