Texas Instruments THVD1330 Half-Duplex RS-485 Transceiver
Texas Instruments THVD1330 Half-Duplex RS-485 Transceiver with IEC ESD protection is a robust low-power transceiver with an active-high driver enable and active-low receiver enable. This transceiver features a -7V to 12V bus common mode range and 5μA maximum low shutdown current. The THVD1330 transceiver offers a 60mA maximum output driver current and an 8mA maximum output receiver current. This transceiver operates from a 3.3V single supply voltage and a -40°C to 125°C temperature range. The THVD1330 transceiver is used in wireless infrastructure, factory automation, control building automation, and grid infrastructure.The THVD1330 transceiver is suitable for data transmission up to 32Mbps and for multi-point applications over long cable runs. This transceiver is for small propagation delay variation to support time-sensitive applications such as Baseband Unit (BBU) and Remote Radio Unit (RRU). The THVD1330 transceiver is used in wireless infrastructure, factory automation, control building automation, and grid infrastructure.
Features
- Meets or exceeds the requirements of the TIA/EIA-485A standard
- Half-duplex RS-422/RS-485
- Glitch-free power-up or down for hot plug-in capability
- 3V to 3.6V supply voltage range
- Open, short, and idle bus fail safe receiver
- 32Mbps maximum data rate operation
- 5μA maximum low shutdown current
- Bus I/O protection:
- ±16kV Human Body Model (HBM) ESD
- ±8kV IEC 61000-4-2 contact discharge
- -40°C to 125°C ambient operating temperature range
- -7V to 12V bus common mode range
- 4.9mm x 6mm SOIC (D, 8) package
- RoHS and REACH compliant
Applications
- Wireless infrastructure
- Factory automation
- Control building automation
- Grid infrastructure
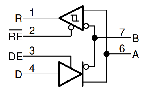
Simplified Schematic Diagram
Opublikowano: 2024-01-12
| Zaktualizowano: 2024-01-24
