Texas Instruments SN74ACT595/SN74ACT595-Q1 SIPO Shift Registers
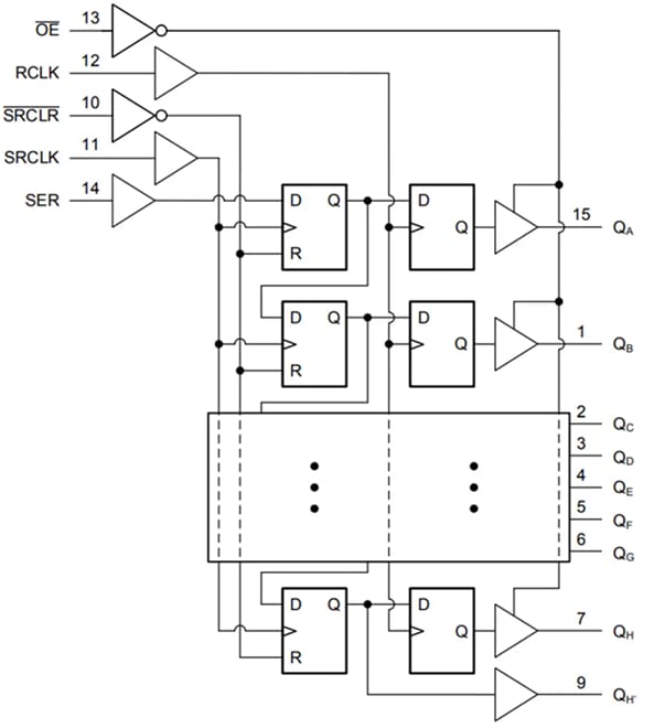
Texas Instruments SN74ACT595/SN74ACT595-Q1 8-Bit Serial-In Parallel-Out (SIPO) Shift Registers feed an 8-bit D-type storage register. The storage register has parallel outputs. Separate clocks are provided for both the storage and shift register. The shift register has a direct overriding clear (SRCLR\) input, serial (SER) input, and serial output (QH’) for cascading. The register outputs are in a high-impedance state when the output-enable (OE\) input is high. The operation of the OE\ input does not impact internal register data. The Texas Instruments SN74ACT595-Q1 devices are AEC-Q100 qualified for automotive applications.Features
- 4.5V to 5.5V operating voltage range
- TTL-compatible inputs
- Continuous ±24mA output drive at 5V
- Supports up to ±75mA output drive at 5Vin short bursts
- Drives 50Ω transmission lines
- Fast operation with a delay of 11.9ns (max.)
Applications
- Increases number of outputs on microcontrollers
- Stores up to 8 bits of data temporarily
Functional Diagram
Opublikowano: 2025-02-18
| Zaktualizowano: 2025-05-06
