Texas Instruments PCA95xx I²C, SMBus Repeaters, Switches, Expanders
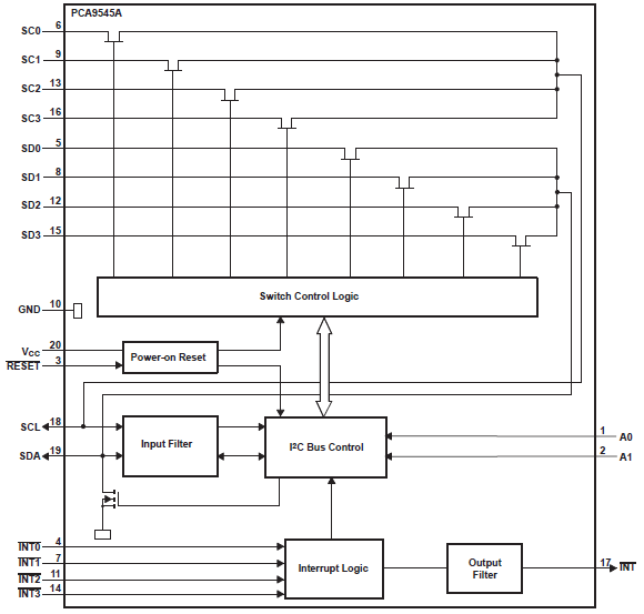
Texas Instruments PCA95xx I2C and SMBus devices consist of a variety of logic ICs, including repeaters, bidirectional translating switches, and I/O expanders. The TI PCA9515A dual bidirectional I2C and SMBus repeater is a BiCMOS IC intended for I2C and SMBus systems applications. The PCA9515A contains two identical bidirectional open-drain buffer circuits that enable I2C and similar bus systems to be extended without degradation of system performance. The TI PCA9544A and PCA9545A are quad bidirectional translating switches controlled via the I²C bus. The SCL/SDA upstream pair on the PCA9544A and PCA9545A fans out to four downstream pairs, or channels On the PCA9544a, one SCL/SDA pair can be selected at a time, and this is determined by the contents of the programmable control register. On the PCA9545A, any individual SCn/SDn channel or combination of channels can be selected, and this is determined by the contents of the programmable control register. The TI PCA9554A and PCA9557 are remote 8-bit I2C and SMBus expanders. The PCA9554A and PCA9557 provide general-purpose I/O expansion for most microcontroller families via the I2C interface.Features
- PCA9515A Features
- Two-Channel Bidirectional Buffers
- I2C Bus and SMBus Compatible
- Active-High Repeater-Enable Input
- Open-Drain I2C I/O
- 5.5V Tolerant I2C I/O and Enable Input Support Mixed-Mode Signal Operation
- Lockup-Free Operation
- Accommodates Standard Mode and Fast Mode I2C Devices and Multiple Masters
- Supports Arbitration and Clock Stretching Across the Repeater
- Powered-Off High-Impedance I2C Pins
- Latch-Up Performance Exceeds 100mA Per JESD 78, Class II
- ESD Protection Exceeds JESD 22
- 2000V Human-Body Model (A114-A)
- 200V Machine Model (A115-A)
- 1000V Charged-Device Model (C101)
- PCA9544A Features
- 1-of-4 Bidirectional Translating Switches
- I2C Bus and SMBus Compatible
- Four Active-Low Interrupt Inputs
- Active-Low Interrupt Output
- Three Address Pins, Allowing up to Eight Devices on the I2C Bus
- Channel Selection Via I2C Bus
- Power Up With All Switch Channels Deselected
- Low RON Switches
- Allows Voltage-Level Translation Between 1.8V, 2.5V, 3.3V, and 5V Buses
- No Glitch on Power Up
- Supports Hot Insertion
- Low Standby Current
- Operating Power-Supply Voltage Range of 2.3V to 5.5V
- 5.5V Tolerant Inputs
- PCA9545A Features
- 1-of-4 Bidirectional Translating Switches
- I2C Bus and SMBus Compatible
- Four Active-Low Interrupt Inputs
- Active-Low Interrupt Output
- Active-Low Reset Input
- Two Address Pins, Allowing up to Four Devices on the I2C Bus
- Channel Selection Via I2C Bus, In Any Combination
- Power Up With All Switch Channels Deselected
- Low RON Switches
- Allows Voltage-Level Translation Between 1.8V, 2.5V, 3.3V, and 5V Buses
- No Glitch on Power Up
- Supports Hot Insertion
- Low Standby Current
- Operating Power-Supply Voltage Range of 2.3V to 5.5V
- 5.5V Tolerant Inputs
- 0 to 400kHz Clock Frequency
- Latch-Up Performance Exceeds 100mA Per JESD 78
- ESD Protection Exceeds JESD 22
- PCA9554A Features
- I2C to Parallel Port Expander
- Open-Drain Active-Low Interrupt Output
- Operating Power-Supply Voltage Range of 2.3V to 5.5V
- 5V Tolerant I/Os
- 400kHz Fast I2C Bus
- Three Hardware Address Pins Allow up to Eight Devices on the I2C/SMBus
- Input/Output Configuration Register
- Polarity Inversion Register
- Internal Power-On Reset
- Power-Up With All Channels Configured as Inputs
- No Glitch on Power Up
- Latched Outputs With High-Current Drive Maximum Capability for Directly Driving LEDs
- Latch-Up Performance Exceeds 100mA Per JESD 78, Class II
- ESD Protection Exceeds JESD 22
- 2000V Human-Body Model (A114-A)
- 200V Machine Model (A115-A)
- 1000V Charged-Device Model (C101)
- PCA9557 Features
- Low Standby Current Consumption of 1µA Max
- I2C to Parallel Port Expander
- Operating Power-Supply Voltage Range of 2.3V to 5.5V
- 5V Tolerant I/O Ports
- 400kHz Fast I2C Bus
- Three Hardware Address Pins Allow for Use of up to Eight Devices on I2C/SMBus
- Lower-Voltage Higher-Performance Migration Path for PCA9556
- Input/Output Configuration Register
- Polarity Inversion Register
- Active-Low Reset Input
- Internal Power-On Reset
- High-Impedance Open Drain on P0
- Power Up With All Channels Configured as Inputs
- No Glitch on Power Up
- Noise Filter on SCL/SDA Inputs
- Latched Outputs With High Current Drive Maximum Capability for Directly Driving LEDs
- Latch-Up Performance Exceeds 100mA Per JESD 78, Class II
- ESD Protection Exceeds JESD 22
Applications
- I²C Bus Systems
- SMBus Systems
View Results ( 20 ) Page
| Numer części | Karta charakterystyki | Napięcie robocze zasilania | Pd – strata mocy | Ochrona ESD | Maksymalna częstotliwość zegara | Liczba We/Wy | Rodzaj interfejsu | Wrażliwość na wilgoć | Liczba przełączników | Sygnał przerwania na wyjściu | Opakowanie | Opakowanie/obudowa |
|---|---|---|---|---|---|---|---|---|---|---|---|---|
| PCA9544ARGYR | ![]() |
2.3 V to 5.5 V | 400 mW | Yes | 4 Switch | Reel | VQFN-20 | |||||
| PCA9544ADWR | ![]() |
2.3 V to 5.5 V | 400 mW | 4 Switch | Reel | SOIC-20 | ||||||
| PCA9545ADWR | ![]() |
2.3 V to 5.5 V | 400 mW | 4 Switch | Reel | SOIC-20 | ||||||
| PCA9557DB | ![]() |
2.5 V to 6 V | 2 kV | 400 kHz | 8 I/O | I2C, Serial, SMBus | Without Interrupt | Tube | SSOP-16 | |||
| PCA9515BDGKR | ![]() |
2.3 V to 3.6 V | 400 kHz | I2C, SMBus | Reel | VSSOP-8 | ||||||
| PCA9545APWR | ![]() |
2.3 V to 5.5 V | 400 mW | 4 Switch | Reel | TSSOP-20 | ||||||
| PCA9545ARGYR | ![]() |
2.3 V to 5.5 V | 400 mW | Yes | 4 Switch | Reel | VQFN-20 | |||||
| PCA9554ARGTR | ![]() |
2.3 V to 5.5 V | 2 kV | 400 kHz | 8 I/O | I2C, Serial, SMBus | Yes | With Interrupt | Reel | VQFN-16 | ||
| PCA9554ARGVR | ![]() |
2.3 V to 5.5 V | 2 kV | 400 kHz | 8 I/O | I2C, Serial, SMBus | Yes | With Interrupt | Reel | VQFN-16 | ||
| PCA9557DGVR | ![]() |
2.5 V to 6 V | 2 kV | 400 kHz | 8 I/O | I2C, Serial, SMBus | Without Interrupt | Reel | TVSOP-16 |
Opublikowano: 2012-02-09
| Zaktualizowano: 2023-11-13

