Texas Instruments LP5861 18-Ch RGB LED Driver

Texas Instruments LP5861 18-Ch RGB LED Driver is designed for an improved user experience of animation and indication purposes in a LED matrix with a small solution size. The LP5861 integrates 18 constant current sinks with N (N = 1/2/4/6/8/11), switching MOSFETs to support N × 18 LED dots or N × 6 RGB LEDs. The LP5861 integrates 1 MOSFET for up to 18 LED dots or 6 RGB LEDs.

The TI LP5861 18-Ch RGB LED Driver supports analog and PWM dimming methods. The device can adjust each LED dot with 256 steps for analog dimming. For PWM dimming, the integrated 8-bit or 16-bit configurable PWM generators provide smooth and audible noise-free dimming control. Each LED dot can also be arbitrarily mapped into an 8-bit group PWM to achieve dimming control simultaneously.

The LP5861 LED Driver implements full addressable SRAM to minimize the data traffic. The ghost cancellation circuitry is integrated to eliminate both upside and downside ghosting. The LP5861 also delivers LED open and short detection functions.

The LP5861 LED Driver is available in a 4mm × 4mm 32-VQFN package with a 1MHz (maximum) I2C or a 12MHz (maximum) SPI interface.

Features

  • Operating voltage range:
    • 2.7V to 5.5V VCC/VLED range
    • Logic pins are compatible with 1.8V, 3.3V, and 5V
  • 18 constant current sinks with high precision:
    • 0.1mA to 50mA per current sink when VCC ≥ 3.3V
    • ±5% Device-to-device error
    • ±5% Channel-to-channel error
    • Phase-shift for balanced transient power
  • Ultra-low power consumption:
    • ICC ≤ 2uA when EN = Low shutdown mode
    • ICC ≤ 10uA when EN = High and CHIP_EN = 0 (data retained) standby mode
    • ICC = 3mA (typ.) when channel current = 5mA Active mode
  • Full addressable SRAM to minimize data traffic
  • Interface options:
    • 1MHz (max.) I2C interface when IFS = Low
    • 12MHz (max.) SPI interface when IFS = High
  • Flexible dimming options:
    • Individual ON and OFF control for each LED dot
    • Analog dimming (current gain control)
      • Global 3-bit Maximum Current (MC) setting for all LED dots
      • 3 groups of 7-bit Color Current (CC) settings for red, green, and blue
      • Individual 8-bit Dot Current (DC) setting for each LED dot
    • PWM dimming with audible-noise-free frequency
      • Global 8-bit PWM dimming for all LED dots
      • 3 programmable groups of 8-bit PWM dimming for LED dot arbitrary mapping
      • Individual 8-bit or 16-bit PWM dimming for each LED dot
  • Deghosting and low brightness compensation
  • Individual LED dot open and short detection

Applications

  • LED animation and indication for:
    • Keyboard, mouse, and gaming accessories
    • Major and smart home appliances
    • Smart speaker, wired and wireless speaker
    • Audio mixer, DJ equipment, and broadcast
    • Access equipment, switches, and servers
    • Constant current sinks for optical module

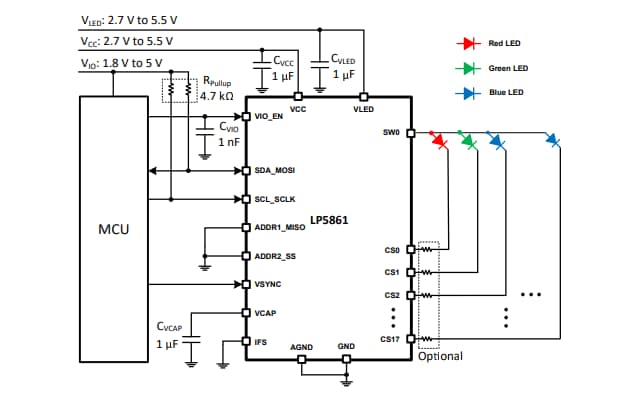
Simplified Schematic

Schematic - Texas Instruments LP5861 18-Ch RGB LED Driver
Opublikowano: 2022-04-05 | Zaktualizowano: 2022-04-12