Texas Instruments JFE150 Audio N-Channel JFET
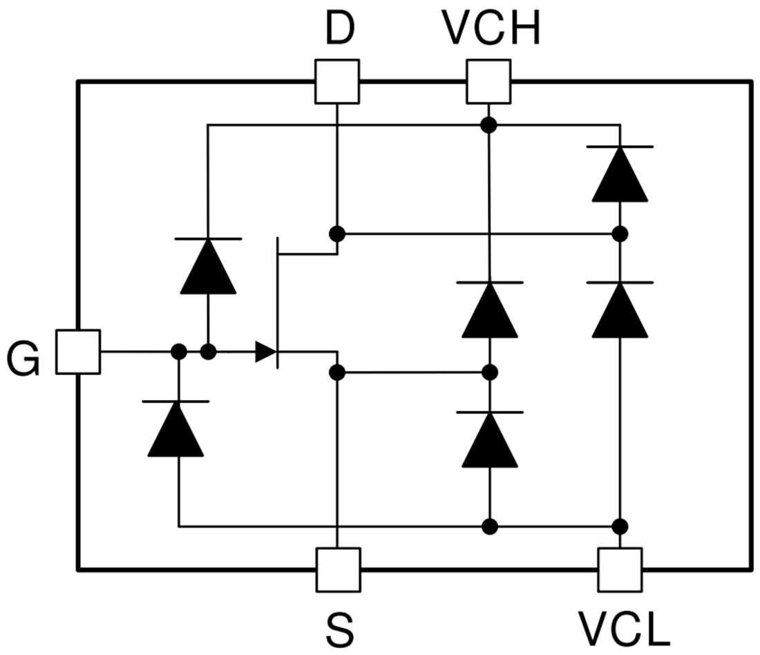
Texas Instruments JFE150 Audio N-Channel JFET is a Burr-Brown™ discrete JFET built using Texas Instruments’ modern, high-performance, analog bipolar process. The JFE150 features performance not previously available in older discrete JFET technologies. The JFE150 offers the maximum possible noise-to-power efficiency and flexibility, where the quiescent current can be set by the user and yields excellent noise performance for currents from 50µA to 20mA. When biased at 5mA, the device yields 0.8nV/√Hz of input-referred noise, giving ultra-low noise performance with extremely high input impedance (> 1TΩ). The JFE150 also features integrated diodes connected to separate clamp nodes to protect without the addition of high leakage, nonlinear external diodes.The Texas Instruments JFE150 can withstand a high drain-to-source voltage of 40V, as well as gate-to-source and gate-to-drain voltages down to –40V. The temperature range is specified from –40°C to +125°C. The device is currently offered in a 5-pin SOT-23 package.
Features
- Ultra-low noise
- Voltage noise
- 0.8nV/√Hz at 1kHz, IDS = 5mA
- 0.9nV/√Hz at 1kHz, IDS = 2mA
- Current noise
- 1.8fA/√Hz at 1kHz
- Voltage noise
- 10pA (max) low gate current
- Low input capacitance (24pF at VDS = 5V)
- –40V high gate-to-drain and gate-to-source breakdown voltage
- 68mS high transconductance
- Small SC70 package
Applications
- Microphone inputs
- Hydrophones and marine equipment
- DJ controllers, mixers, and other DJ equipment
- Professional audio mixer or control surface
- Guitar amplifier and other music instrument amplifier
- Condition monitoring sensor
Functional Block Diagram
Opublikowano: 2021-08-13
| Zaktualizowano: 2022-03-11
