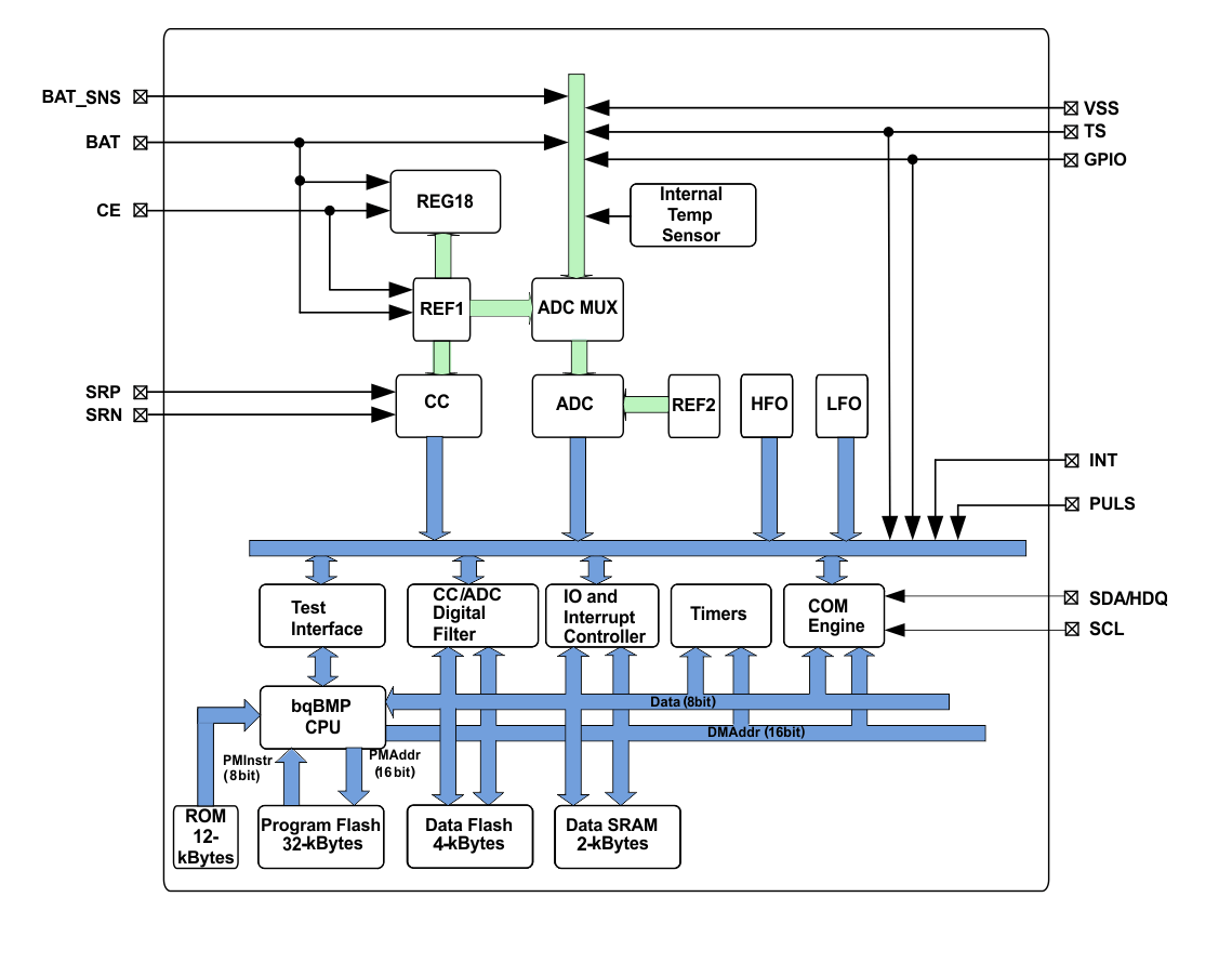
Texas Instruments bq27Z561-R1 Battery Fuel Gauges
Texas Instruments bq27Z561-R1 Battery Fuel Gauges are highly integrated, accurate 1-series cell gas gauges. The bq27Z561-R1 offers flash programmable custom reduced instruction-set CPU (RISC) and SHA-256 authentication for Li-Ion and Li-Polymer battery packs. The 1-series cell capability includes parallel cells for increased capacity.The bq27Z561-R1 Fuel Gauges communicate using I2C-compatible and HDQ one-wire interfaces. The device also includes several key features that can help facilitate accurate gas gauging applications. Integrated internal and external temperature sense function options enable system and battery temperature measurements. The integrated SHA-256 functionality allows secure identification between systems and packs.
The Texas Instruments bq27Z561-R1 informs the system when a specific state-of-charge (SOC), voltage, or temperature condition occurs using the interrupt and BTP functions. A low-voltage operation permits the system to continue monitoring the battery even in deeply discharged conditions. The device can be set to the low-power coulomb counting (CC) mode, enabling it to continue its counting while significantly reducing operating current during low-activity situations.
Features
- Supports current sense resistors down to 1mΩ
- Supports pack-side gauging, including enhanced state of health (SOH) algorithm
- Fast QMAX update option based on predicted OCV
- SHA-256 authentication responder for increased battery pack security
- Sophisticated charge algorithms
- JEITA
- Enhanced charging
- RSOC charging compensation option
- Two independent ADCs
- Support for simultaneous current and voltage sampling
- High-accuracy coulomb counter with input offset error <1µV (typical)
- Low-voltage (2V) operation
- Wide-range current applications (1mA to >5A)
- Active high or low pulse or level interrupt pin
- Supports battery trip point (BTP)
- Reduced power modes (typical battery pack operating range conditions)
- Typical SLEEP mode: <11µA
- Typical DEEP SLEEP mode: <9µA
- Typical OFF mode: <1.9µA
- Internal and external temperature sense functions
- Diagnostic lifetime data monitor and black box recorder
- 400kHz I2C bus communications interface for high-speed programming and data access
- HDQ one-wire for communication with the host
- Compact 12-pin DSBGA package (YPH)
Applications
- Smartphones
- Digital still and video cameras
- Tablet computing
- Portable and wearable health devices and portable audio devices
Block Diagram
