Qorvo QPQ6108 FDD Band 8 TC-SAW Duplexers
Qorvo QPQ6108 FDD Band 8 TC-SAW Duplexers are high-performance, Temperature Compensated Surface Acoustic Wave (TC-SAW) duplexers designed for Band 8 uplink/downlink applications. The QPQ6108 Duplexers feature a low insertion loss and high rejection, making them ideal for small cells, Band 8, and LTE dongles. The Qorvo QPQ6108 FDD Band 8 TC-SAW Duplexers are available in a compact, RoHs compliant 2.00mm x 2.50mm x 0.87mm surface-mount package (SMP).Features
- 35MHz Bandwidth - band 8 uplink & downlink
- Temperature compensated
- High attenuation
- Low loss
- No external matching required
- Single input, single output operation
- Small size of 2.00mm x 2.50mm x 0.87mm
- Surface Mount Package (SMP)
- RoHS compliant, Pb-Free
Applications
- Band 8
- Base station infrastructure
- Small cells
- Repeaters
- Routers
- LTE Dongles
- General purpose wireless
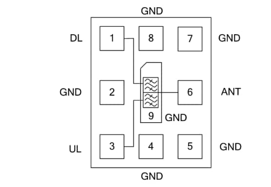
Functional Block Diagram
Opublikowano: 2021-01-13
| Zaktualizowano: 2022-03-11
