Microchip Technology HV53011 16-Ch Push-Pull Drivers
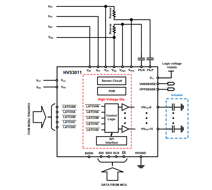
Microchip Technology HV53011 16-Ch Push-Pull Drivers offer a high-voltage driver solution for surface haptic applications. The HV53011 features 16 push-pull drivers capable of ±135V output swing with the Return-To-Zero (RTZ) function, and each driver is capable of sourcing and sinking at least 24mA. Each high-voltage output is capable of driving up to 250pF capacitive load. Additionally, a global current sensor function is integrated into the HV53011 to monitor the charge and discharge currents.The Microchip HV53011 16-Ch Push-Pull Drivers utilizes an SPI interface to communicate between the microcontroller/processor and the high-voltage drivers. The interface delivers 3.3V logic I/O signals up to clock speeds of 32MHz. Five digital LATCH control signals manage the data flow and the firing pattern while establishing the output to one of four possible states: VPP, VNN, 0V, or high impedance.
The HV53011 has an accurate power on and off sequence requiring four high-voltage power rails, VPP, VPF, VNN, VNF, and three low-voltage power rails, VCC, VSS, and VLL. The companion integrated HV53001 driver IC has built-in power on/off sequence control circuits to maintain the proper orders.
The driver includes a shutdown function to disable and set it to consume minimum power when the driver is not used.
The HV53011 is housed in an 8mm x 8mm 59-ball TFBGA package. All high-voltage I/Os are assigned to have sufficient clearance for safety purposes.
Features
- 16-Channel push-pull output
- Return-To-Zero (RTZ) and High Impedance (Hi-Z) function
- Up to ±135V output voltage
- 24mA Minimum source-sink output current
- 250pF Maximum output load
- Current sensor output
- SPI Interface with quad-latched 2-bit per channel architecture
- Power-on reset function
- Shutdown function
- 59-Ball 8mm x 8mm TFBGA package
Applications
- Surface haptic application
- MEMS Driver
- Piezo driver
Typical Application Diagram
Block Diagram
