MACOM MABC-001000-DP000L GaN Bias Controller and Sequencer Module

MACOM MABC-001000-DP000L GaN Bias
Controller and Sequencer Module

MACOM MABC-001000-DP000L GaN Bias Controller and Sequencer Module offers proper gate voltage and pulsed drain voltage biasing for a device under test (DUT). The device also offers bias sequencing to ensure the pulsed drain voltage cannot be applied to a device under test unless the negative gate bias voltage is present. MABC-001000-DP000L is capable of robust GaN protection at any power up/power down sequence. It has a target total switch transition time of ≤500ns.

MABC-001000-DP000L provides an open drain output current of ≤200mA for an external MOSFET switch drive, gate bias output current of ≤50mA for heavy RF compression, and an internal thermistor or external temperature sensor voltage for Gate Bias Sum. Additional features include optional remote temperature sensing and temperature, fast gate switching, remote gate adjust, and buffered multi-gate bias. Featuring a 30dB typical EMI/RFI Rejection at all I/O ports, the MABC-001000-DP000L is RoHS compliant and 260° reflow compatible.

Features
  • Robust GaN Protection at Any Power Up/Power Down Sequence
  • Fixed Gate Bias Voltage with Pulsed Drain Bias Voltage. Add-On Module Allows for Gate Pulsing
  • Open Drain Output Current of ≤200mA for External MOSFET Switch Drive
  • Internal Thermistor or External Temperature Sensor Voltage for Gate Bias Sum
  • 30dB Typical EMI/RFI Rejection at All I/O Ports
  • 6.60 x 22.48mm². Package with 1 mm Pitch SMT Leads
  • Target ≤500ns Total Switch Transition Time
  • Gate Bias Output Current ≤50mA for Heavy RF Compression
  • RoHS* Compliant and 260°C Reflow Compatible
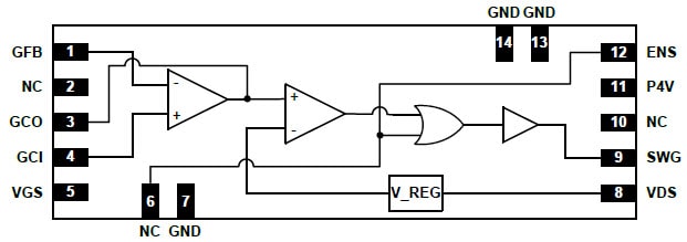
Functional Schematic
Functional Schematic
eNews
  • MACOM
Opublikowano: 2015-07-02 | Zaktualizowano: 2015-07-02