Analog Devices Inc. LTC7062 Dual High-Side MOSFET Gate Driver IC
Analog Devices LTC7062 Dual High-Side MOSFET Gate Driver drives two high-side N-Channel MOSFETs with supply voltages up to 100V. Both drivers can operate with a different ground reference, providing excellent noise and transient immunity. The two drivers are symmetric and independent of each other, allowing complementary or non-complementary switching.Analog Devices LTC7062 with powerful 0.8Ω pull-down and 1.5Ω pull-up MOSFET drivers allow the use of large gate capacitance high voltage MOSFETs. Additional features include UVLO, TTL/CMOS compatible inputs, and fault indicator.
Features
- Unique symmetric floating gate driver architecture
- High noise immunity, tolerates ±10V ground difference
- 100V maximum input voltage independent of IC supply voltage VCC
- 5V to 14V VCC operating voltage
- 4V to 14V gate driver voltage
- 0.8Ω pull-down, 1.5Ω pull-up for fast turn-on/off
- TTL/CMOS compatible input
- VCC UVLO/OVLO and floating supplies UVLO
- Drives dual N-Channel MOSFETs
- Open-drain fault indicator (VCC UVLO/OVLO, gate driver UVLO and thermal shutdown)
- Available in thermally enhanced 12-lead MSOP
- AEC-Q100 automotive qualification in progress
Applications
- Automotive and industrial power systems
- Telecommunication power systems
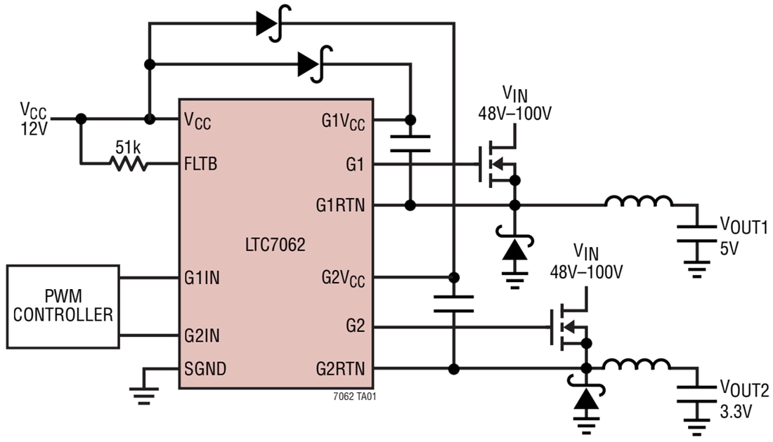
Typical Application
Opublikowano: 2021-03-23
| Zaktualizowano: 2025-02-06
