Analog Devices Inc. LTC6115 High Side Current & Voltage Sense
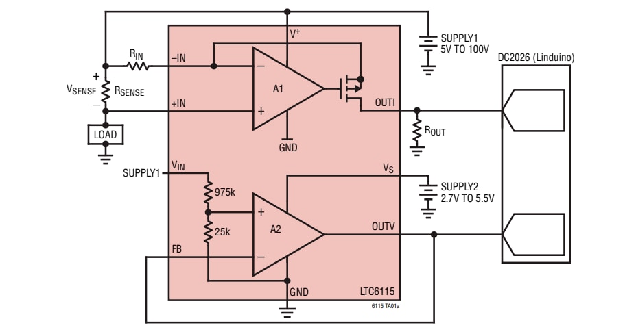
Analog Devices LTC6115 High Side Current and Voltage Sense is a versatile combination of a high voltage, high side current sense amplifier and a voltage sense amplifier, providing design flexibility with excellent device characteristics. The LTC6115 features ±500µV maximum offset voltage for current sense and a maximum ±0.15% voltage sense total gain error. The LTC6115 monitors current by sensing the voltage across an external sense resistor. The sensed voltage is converted to an output current, then is available to be translated to a voltage by an external resistor, ROUT. The device is perfect for load current warning and shut-off protection control due to its fast response time.The LTC6115 is ideal for accurate voltage monitoring with the included internal 1MΩ resistor divider and a precision voltage amplifier. Maximum use of the amplifier’s rail-to-rail output is a result of the full-scale output voltage can be configured by external gain resistors. The resistor attenuation of 40 enables sensing of up to 100V on the VIN pin. The device is suitable for precision high-voltage monitoring in telecommunications, industrial and automotive applications. The LTC6115 High Side Current and Voltage Sense is available in a 12-lead MSOP package.
Features
- Current sense
- 5V to 100V Supply range
- ±500µV (Maximum) Low offset voltage
- 1µs Response time
- Gain configurable with 2 resistors
- 170nA (Maximum) Low input bias current
- 118dB (Minimum) PSRR
- 250µA Low supply current
- Voltage sense
- 0V to 100V Voltage sense range
- Precision 1MΩ resistor divider
- ±0.15% (Maximum) Low total gain error
- 2.7V to 5.5V Supply voltage range
- 57µA Low supply current
- -40°C to 125°C Operating temperature range
Applications
- Current shunt measurement
- Battery monitoring
- Power management
- Automotive sensing and control
- Industrial monitoring
Typical Application
Block Diagram
Videos
Opublikowano: 2019-04-03
| Zaktualizowano: 2023-08-25
