Analog Devices Inc. LT6372-0.2/1 Instrumentation Amplifiers
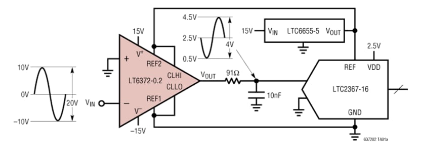
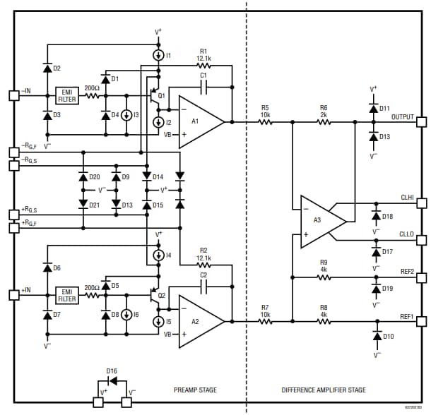
Analog Devices Inc. LT6372-0.2/1 Instrumentation Amplifiers are gain programmable and high precision funneling devices with level shift and output clamping. These high precision amplifiers enable smaller signals to be sensed and ease calibration requirements, particularly over temperature. The LT6372-0.2/1 amplifiers incorporate features into the LT6370 which further improve accuracy and simplify interfacing to an ADC. These instrumentation amplifiers use a proprietary high-performance bipolar process that enables industry-leading accuracy coupled with exceptional long-term stability. The LT6372-0.2/1 amplifiers are laser trimmed for very low input offset voltage (60µV) and high CMRR (80dB, G=0.2).The LT6372-0.2/1 instrumentation amplifiers feature an integrated input RFI filter, output clamps, and output level shift. These output clamp pins limit the voltage that can be applied to an ADC’s input. The EMI filtering is integrated on the LT6372-0.2/1 inputs to maintain accuracy in the presence of harsh RF interference.
The LT6372-0.2/1 instrumentation amplifiers are available in a compact MS16E and a 20-pin 3mm × 4mm QFN packages. These instrumentation amplifiers are fully specified over the -40°C to 85°C and -40°C to 125°C temperature ranges. Typical applications include bridge amplifier, data acquisition, thermocouple amplifier, strain gauge amplifier, medical instrumentation, and transducer interfaces.
Features
- G=0.2 to >200 single gain set resistor
- Excellent DC precision:
- 60μV maximum input offset voltage
- 0.6μV/°C maximum input offset voltage drift
- 0.012% maximum (G=0.2) low gain error
- 35ppm/°C maximum (G>0.2) low gain drift
- 80dB minimum (G=0.2) high DC Common Mode Rejection Ratio (CMRR)
- Integrated output clamps
- Integrated output level shift
- 800pA maximum input bias current
- 4MHz -3dB Bandwidth (G=0.2)
- Low noise:
- 0.1Hz to 10Hz noise: 0.2μVP-P
- 1kHz voltage noise: 7nV/√Hz
- Integrated input Radio Frequency Interference (RFI) filter
- 4.75V to 35V wide supply range
- -40°C to 85°C and -40°C to 125°C temperature ranges
- MS16E and 20-Lead 3mm x 4mm QFN packages
Applications
- Bridge amplifier
- Data acquisition
- Thermocouple amplifier
- Strain gauge amplifier
- Medical instrumentation
- Transducer interfaces
- Differential to single-ended conversion
Block Diagram
Application Circuit
Opublikowano: 2021-01-12
| Zaktualizowano: 2022-03-11
